圖解實驗室品質管理系統ISO 17025:2017實務
活動訊息
內容簡介
本書分三大部分來探討:第一部分的前三章,採用圖解讓讀者能快速有效了解常見ISO國際標準與ISO 17025實驗室品質管理系統要點與實務推動精神,包括國際標準介紹、品質管理系統要項、概述。第二部分為重點條文4.0一般要求事項公正性與保密,至條文8.0管理要求如何融合國際標準ISO 9001條文要求,透過重點圖表與實務說明,啟發讀者融入工作生活化系統思維。第三部分為附錄,條文附錄A計量追溯性、附錄B管理系統選項說明;融合ISO 9001國際標準條文要求,提供實驗室管理者明確推動ISO管理審查目標;提供國際認證申請,指引企業測試實驗室能力能與國際接軌;補充適合各產業之ISO 17025:2017條文要求、網址參考指引與ARES內部稽核員試題。
本書著重實務Case study個案教學,對應條文解析補充教學,有別市場專書內容,適合高中職及大學以上老師與學生深度了解ISO國際標準驗證之基本知識,更是適合產業社會新鮮人跨域學習ISO 17025實驗室品質管理系統之口袋書。
目錄
第1章 國際標準介紹
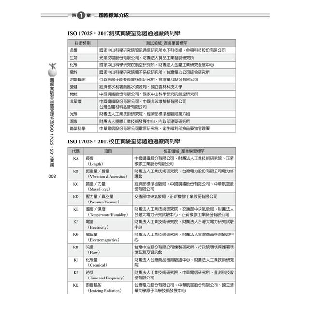
Unit 1-1 品質管理系統簡介
Unit 1-2 品質管理系統ISO 9001:2015
Unit 1-3 實驗室品質管理系統ISO 17025:2017
非破壞檢測項目與檢測方式
範例:液滲檢測(LPT)順序
Unit 1-4 環境管理系統ISO 14001:2015
Unit 1-5 職安衛管理系統ISO 45001:2018
Unit 1-6 驗證作業流程介紹
Unit 1-7 稽核員證照訓練介紹
Unit 1-8 常見ISO國際標準—ISO 50001:2018
Unit 1-9 常見ISO國際標準—ISO 14067:2018
Unit 1-10 常見ISO國際標準—ISO 14064
Unit 1-11 常見ISO國際標準—ISO 14046:2014
Unit 1-12 清真認證與ISO 22000:2018
個案討論與章節作業
第2章 品質管理系統要項
Unit 2-1 七大管理原則(1)
Unit 2-2 七大管理原則(2)
Unit 2-3 內部稽核
Unit 2-4 管理審查
Unit 2-5 文件化管理(1)
Unit 2-6 文件化管理(2)
Unit 2-7 知識管理
Unit 2-8 風險管理
個案討論與章節作業
個案學習:防蝕系統設計製造安裝
第3章 ISO 17025:2017概述
Unit 3-1 簡介
Unit 3-2 PDCA循環
Unit 3-3 考量風險思維
Unit 3-4 與其他管理系統標準之關係
個案討論與章節作業
第4章 一般要求事項
Unit 4-1 公正性
Unit 4-2 保密
範例:保密條款
個案討論與章節作業
第5章 架構要求事項
Unit 5-1 架構要求事項(1)
Unit 5-2 架構要求事項(2)
範例:組織架構、職掌表
Unit 5-3 架構要求事項(3)
Unit 5-4 架構要求事項(4)
Unit 5-5 架構要求事項(5)
Unit 5-6 架構要求事項(6)
Unit 5-7 架構要求事項(7)
個案討論與章節作業
第6章 資源要求事項
Unit 6-1 一般要求
Unit 6-2 人員
Unit 6-3 設施與環境條件
Unit 6-4 設備(1)
Unit 6-5 設備(2)
Unit 6-6 設備(3)
Unit 6-7 設備(4)
Unit 6-8 計量追溯性(1)
Unit 6-9 計量追溯性(2)
Unit 6-10 外部供應的產品與服務(1)
Unit 6-11 外部供應的產品與服務(2)
範例:知識分享管制程序
個案討論與章節作業
第7章 過程要求
Unit 7-1 需求、標單及合約的審查(1)
Unit 7-2 需求、標單及合約的審查(2)
Unit 7-3 方法的選用、查證及確認(1)
Unit 7-4 方法的選用、查證及確認(2)
Unit 7-5 方法的選用、查證及確認(3)
Unit 7-6 方法的選用、查證及確認(4)
Unit 7-7 抽樣(1)
Unit 7-8 抽樣(2)
Unit 7-9 試驗件或校正件的處理
Unit 7-10 技術紀錄
Unit 7-11 量測不確定度的評估
Unit 7-12 確保結果的有效性(1)
Unit 7-13 確保結果的有效性(2)
表一:校正領域能力試驗指定項目
表二:校正領域量測稽核項目
表三:內部校正項目參加能力試驗活動規劃流程圖
Unit 7-14 結果的報告(1)
Unit 7-15 結果的報告(2)
Unit 7-16 結果的報告(3)
Unit 7-17 結果的報告(4)
Unit 7-18 結果的報告(5)
Unit 7-19 結果的報告(6)
Unit 7-20 結果的報告(7)
Unit 7-21 結果的報告(8)
Unit 7-22 結果的報告(9)
Unit 7-23 抱怨
Unit 7-24 不符合工作
Unit 7-25 數據管制與資訊管理
個案討論與章節作業
第8章 管理要求
Unit 8-1 管理系統要求(1)
Unit 8-2 管理系統要求(2)
Unit 8-3 管理系統文件化(選項A)
Unit 8-4 管理系統的文件管制(選項A)
Unit 8-5 紀錄的管制(選項A)
Unit 8-6 處理風險與機會之措施(選項A)
Unit 8-7 改進(選項A)
範例:提案改善管制程序
Unit 8-8 矯正措施(選項A)
範例:矯正再發管制程序
Unit 8-9 內部稽核(選項A)
Unit 8-10 管理審查(選項A)
範例:文件化管制程序書
個案討論與章節作業
附錄A 計量追溯性
附錄B 實驗室品質管理系統選項
附錄1 ISO 17025:2017與ISO 17025:2005版本對照表
附錄2 ISO 17025:2017實驗室品質管理系統條文要求
附錄3 ISO 9001:2015與ISO 17025:2017跨系統對照表
附錄4 ISO 17025:2017 國際認證申請流程
附錄4-1 臺灣TAF(Taiwan Accreditation Foundation)實驗室認可申請流程
附錄4-2 美國A2LA(Amer ican Associat ion for Laboratory Accreditation)實驗室認可申請流程
附錄5 TAF對實驗室/檢驗機構主管之要求(2016/10/26)
附錄6 TAF測試與校正實驗室能力一般要求與相關認證規範要求對照資訊表
附錄7 TAF符合性聲明書(參考例)
附錄8 ARES國際驗證ISO 17025培訓試題
序/導讀
序
本於教育初衷,本圖解ISO 17025:2017專書延續ISO 9001:2015版與ISO 45001:2018版內容融合ISO條文要求由個案研究中引導讀者,能簡單生活化瞭解ISO國際標準條文。ISO 17025:2017版,條文中第5章架構要求中,明確要求實驗室應為一合規組織,明訂組織管理架構,以及管理與技術人員之工作權責。組織的目的就是指派人員工作任務,協調相關人員協力團隊合作,以最大工作效率達成預定目標,引導如何建立一個組織實驗室權責清楚,實驗室除專業性的提供測試服務外,能夠具公正性、具客觀性且能贏得客戶信任之保密性,落實執行實驗室品質政策,達成品質目標之組織,是非常重要的日常工作。
融合國際標準基石ISO 9001品質管理系統要項七大管理原則強調,列舉其中@領導(Leadership)原則,實驗室所有階層的領導建立一致的目標和方向,並創造使工程師參與達成組織建置實驗室品質目標的測試標準程序。主要管理重點:建立一致的目標方向和工程師參與,使組織能夠統合其策略、政策、流程及有限資源以達成目標。@員工參與(Engagement of people)組織所有人員要能勝任,被適宜授權即能從事以創造價值,有授權即能參與的工程師,透過組織強化其員工能力以創造價值。主要管理重點:有效率地管理組織,讓所有階層的員工參與服務品質提升及測試環境維護其參數一致性,並尊重團隊成員在職訓練適切發展重要性。認知、授權和強化技能和知識,促進工程師的參與,並融合ISO 17025:2017以達成組織的實驗室品質目標。
本書最大的宗旨就是從產業個案研究實驗室管理角度與國際標準規範基本要求,將由淺入深圖解ISO 17025:2017導入實務心法撰寫而成,藉由簡單可行文件化資訊深化進入實驗室程序文件日常管理,分享給讀者學習如何將制式的ISO 17025:2017國際標準規範轉換為實務作法,對於產業鏈、學術界、研究單位之ISO 17025:2017實驗室品質管理系統化程序實務推動與學術教學能有所提升。
最後,感謝求學中的恩師良友於編撰期間對圖文稿參考例諸多提點,同時一併在此致謝五南出版社編輯校稿群的辛勞。本書配合企業實務推動ISO國際標準規範需求提供實用可行的跨管理系統融合對照文件範例,若有疏忽掛漏之處,期許後續ISO種子師資培訓更加完整,仍有待亦師亦友專家學者的賜教指正。
林澤宏、孫政豊
2023年3月
配送方式
-
台灣
- 國內宅配:本島、離島
-
到店取貨:
不限金額免運費
-
海外
- 國際快遞:全球
-
港澳店取:
訂購/退換貨須知
退換貨須知:
**提醒您,鑑賞期不等於試用期,退回商品須為全新狀態**
-
依據「消費者保護法」第19條及行政院消費者保護處公告之「通訊交易解除權合理例外情事適用準則」,以下商品購買後,除商品本身有瑕疵外,將不提供7天的猶豫期:
- 易於腐敗、保存期限較短或解約時即將逾期。(如:生鮮食品)
- 依消費者要求所為之客製化給付。(客製化商品)
- 報紙、期刊或雜誌。(含MOOK、外文雜誌)
- 經消費者拆封之影音商品或電腦軟體。
- 非以有形媒介提供之數位內容或一經提供即為完成之線上服務,經消費者事先同意始提供。(如:電子書、電子雜誌、下載版軟體、虛擬商品…等)
- 已拆封之個人衛生用品。(如:內衣褲、刮鬍刀、除毛刀…等)
- 若非上列種類商品,均享有到貨7天的猶豫期(含例假日)。
- 辦理退換貨時,商品(組合商品恕無法接受單獨退貨)必須是您收到商品時的原始狀態(包含商品本體、配件、贈品、保證書、所有附隨資料文件及原廠內外包裝…等),請勿直接使用原廠包裝寄送,或於原廠包裝上黏貼紙張或書寫文字。
- 退回商品若無法回復原狀,將請您負擔回復原狀所需費用,嚴重時將影響您的退貨權益。





商品評價